Descripción
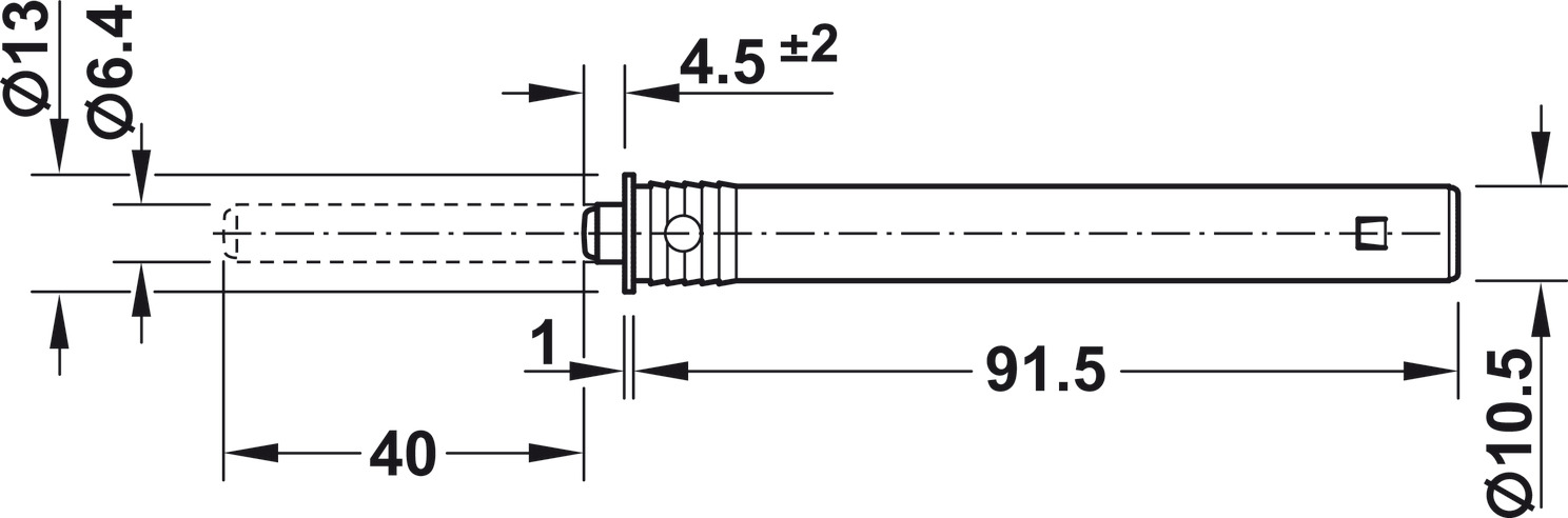
Vaivén presión embutible con imán 40mm para puertas sin tirador. Taladro 10,5mm profundidad 91,5mm. Recorrido 2mm, fuerza retención 6N. Regulación profundidad ±2mm. Seguro infantil anti-desenrosque. Contraplaca aparte.
Características Técnicas
Especificaciones Principales
-
Tipo: Vaivén de presión para embutir
-
Material: Plástico
-
Sistema retención: Iman
-
Aplicación: Puertas y cajones sin tirador
-
Recorrido activación: 2 mm
-
Fuerza retención: 6,00 N
-
Diámetro taladro: 10,50 mm
-
Profundidad taladro: 91,50 mm
Sistema de Seguridad
-
✅ A prueba de niños: Seguro de émbolo anti-desenrosque
Sistema de Regulación
Capacidades de Ajuste
| Regulación | Rango | Observaciones |
|---|---|---|
| Profundidad | ±2 mm | Mediante ajuste del émbolo |
| Ranura puerta | Continuo | Ajustable sin escalonamiento |
Aplicaciones
Usos Recomendados
-
Puertas sin tirador: Cocinas, armarios, mobiliario moderno
-
Cajones de diseño: Apertura por presión
-
Muebles infantiles: Seguro a prueba de niños integrado
-
Proyectos minimalistas: Líneas puras sin tiradores
-
Instalaciones profesionales: Acabado limpio y funcional
Ventajas del Sistema Embutido
-
Instalación discreta: Queda oculto dentro del taladro
-
Acabado limpio: Solo visible la superficie de la puerta
-
Protección: El mecanismo queda protegido en el interior
-
Estética superior: Sin elementos sobresalientes
Instalación
Componentes
-
Incluido:
-
✅ Vaivén con imán
-
✅ Seguro de émbolo integrado
-
-
Pedir por separado:
-
❌ Contraplaca correspondiente
-
Requisitos de Montaje
-
Taladro exacto: Diámetro 10,50 mm
-
Profundidad: 91,50 mm (mínimo)
-
Posición: Según diseño del mueble
-
Ajuste: Regular profundidad tras instalación
Proceso
-
Taladrar: Realizar agujero de 10,5 x 91,5 mm
-
Embutir: Insertar el vaivén a presión
-
Instalar contraplaca: En la puerta (pedir aparte)
-
Ajustar: Regulación ±2 mm para funcionamiento óptimo
Características del Diseño
Material y Funcionamiento
-
Plástico resistente: Durabilidad y ligereza
-
Iman integrado: Retención magnética fiable
-
Seguro infantil: Mecanismo protegido
Dimensiones y Funcionamiento
| Característica | Valor |
|---|---|
| Diámetro taladro | 10,5 mm |
| Profundidad taladro | 91,5 mm |
| Recorrido activación | 2 mm |
| Fuerza retención | 6 N |
| Regulación profundidad | ±2 mm |
Seguridad Infantil
-
Émbolo con seguro: No puede desenroscarse por niños
-
Tranquilidad: Ideal para hogares con niños
-
Durabilidad: Mecanismo protegido contra manipulaciones







Valoraciones
No hay valoraciones aún.