Descripción
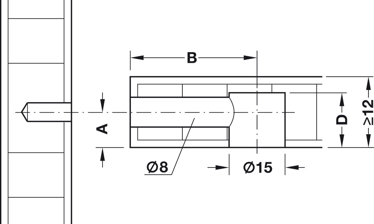
Caja Minifix® 15 sin reborde 15x15mm. Fundición zinc natural, para madera ≥15mm (aplicable 12mm). Profundidad taladro 12mm, medida A 7,5mm. Compatible todos pernos Minifix®. Estándar universal para mobiliario.
Características Técnicas
-
Sistema: Häfele Minifix® 15 (versión estándar)
-
Material: Fundición de zinc de alta resistencia
-
Acabado: Natural
-
Grosor de madera: Desde 15 mm (aplicable desde 12 mm)
-
Diámetro de taladro caja: 15 mm
-
Profundidad de taladro D: 12 mm
-
Medida A: 7,50 mm (distancia de referencia)
-
Ejecución: Sin reborde (para superficies completamente planas)
-
Compatibilidad: Todos los pernos de unión Minifix®
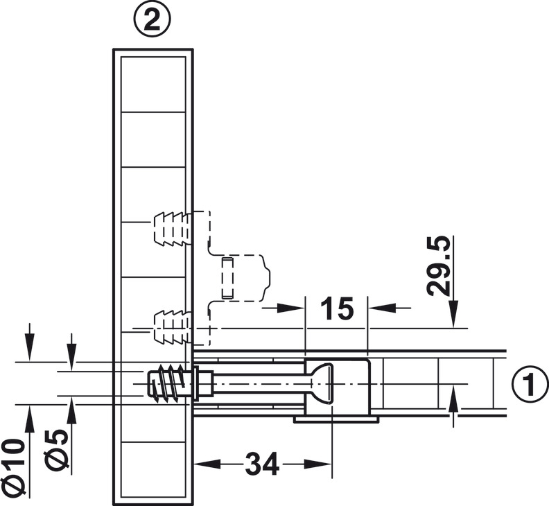
Especificaciones de Montaje y Compatibilidad
Compatibilidad con Pernos Minifix®
| Tipo de Perno | Diámetro de Agujero | Aplicación |
|---|---|---|
| Pernos estándar | 8 mm | Conexiones generales |
| Pernos finos | 5 mm | Para materiales delgados |
| Pernos especiales | 7 mm | Aplicaciones específicas |
Requisitos de Instalación
-
Taladro para caja: Ø 15 mm con profundidad exacta de 12 mm
-
Taladro para perno: Según tipo de perno seleccionado (5, 7 u 8 mm)
-
Posición: Respetar medida A de 7,5 mm desde referencia
-
Grosor mínimo: Desde 15 mm (funciona también en 12 mm según ámbito)
Aplicaciones Recomendadas
-
Mobiliario estándar: Muebles de cocina, armarios, estanterías
-
Grosor convencional: Paneles de 15-19 mm de espesor
-
Producción industrial: Fabricación en serie con materiales estándar
-
Proyectos profesionales: Donde se requiere versatilidad y resistencia
-
Sistemas modulares: Uniones desmontables de calidad









Valoraciones
No hay valoraciones aún.